사부작 사부작 뭘 만들어보는 사람들이 한번 쯤은 해보고 싶은 PCB 만들기..
프로그램 개발하듯이 개발 언어도 알아야하고, 개발 툴도 다뤄야하고, 노하우도 있어야하고.. 알아야 할 것들과 준비해야 할 것들이 많습니다만,
간단히 한번 적어봅니다.
요즘 작은 크기 10cmx10cm 정도 크기 양면 PCB 10장 정도는 중국을 통해서 5천원 정도면 제작이 가능합니다.
물론 배송비가 2배는 더 나오는 상황이지만요.
그래서 개인 취미용으로.. 충분히 해볼만합니다.
PCB 는 전자 회로가 동작하는 HW 입니다.
따라서 기본적인 전자회로 지식이 있어야 합니다.
PCB 를 만드는 절차는
회로 설계 - 도면 작업 -(네트리스트)- 아트웍 작업 - (거버 파일 생성)-PCB 제작 입니다.
회로 설계는 전자쪽을 한번이라도 보셨다면 반도체니 AND 게이트니 TR 이니 등등을 그리는 단계입니다.
도면 작업은 이 회로 설계를 도면화 하는 단계입니다. 요즘은 CAD 가 잘 되어 있어서회로 설계와 도면 작업을 같이 합니다.
그 다음은 그려진 도면으로 PCB 형태로 부품 배치와 배선을 하게 되는데 이것을 아트웍 작업이라고 합니다.
아트웍 작업 후 자료를 PCB 제작 업체에 전달하면.. 짜짠~ 보드가 나오게 되는거죠.
회로 설계 - 도면 작업 - 아트웍 작업은 보통 1개의 CAD 를 많이 사용합니다.
왜냐면 보드 디버깅(설계대로 제작이 되었거나 잘 못된 부분이 있는지)을 할 때 회로 도면과 PCB 도면을 같이 봐야 하기 때문이죠.
전자 CAD는 Orcad, PADS, 이글캐드, Kicad 등 꽤 많습니다.
상용 제품은 가격도 비싸고요.
개인 취미용이나 간단한 업무용은 무료 툴인 Kicad 로도 충분합니다.
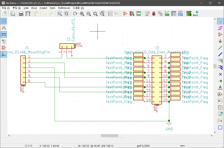
1. 도면을 그립니다.
저는 STM32 라는 개발툴의 장비에 작은 젠더 보드를 하나 만들었습니다.
전에는 배선으로 작업해서 사용을 했는데 내구성이 떨어져서요.
많이 필요하지 않아 만능 기판으로 점퍼 날려서 만들어도 됩니다만.. 이젠 이런 삽질이 귀찮아지기 시작했습니다.
주로 핀헤더 같은 연결 부품들이라 간단합니다.

2. 회로도의 부품을 PCB 에 사용될 실제 부품들 또는 부품들 크기와 맞추는 작업을 합니다.
예를 들어 도면에는 컨넥터 6핀이라고 되어 있는데 이게 어떤 제품의 어떤 사이즈를 사용하는지를 선택하는거죠.

3. 네트리스트라고 PCB 에서 작업 할 정보를 생성합니다.
부품과 배선 정보가 포함되어 있습니다.
보통 제너레이터만 하면 됩니다.

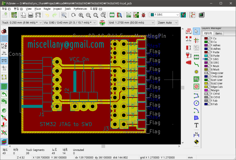
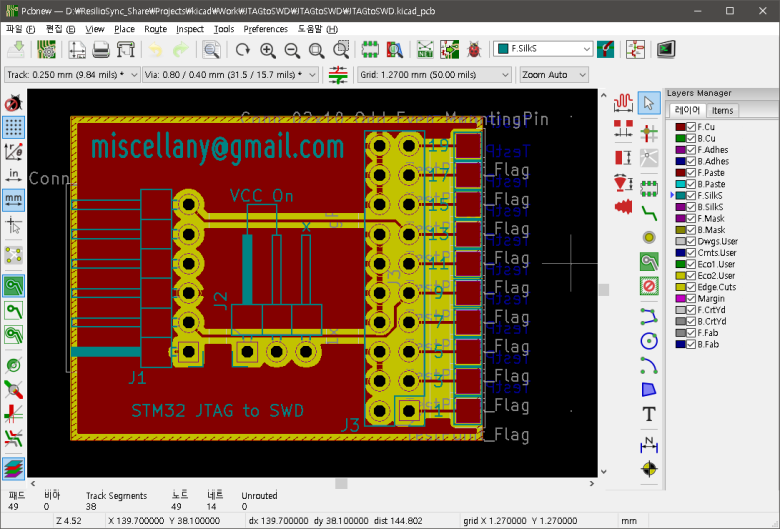
3. PCB 화면에서 네트리스트를 불러와서 배치와 배선 작업을 합니다.
이 부분은 중간 이미지가 없네요. ^____^ ;;;

4. 요즘은 미리보기가 됩니다.
세상 좋아졌어요.
이런 부품들에 대한 실제 외형들은 인터넷에 제공하는 곳들이 몇군데 있습니다.
기본 CAD 에 포함되지 않은 것들은 추가를 하시면 됩니다.
https://www.snapeda.com/ 같은 곳에서 구하시면 됩니다.

5. 이제.. 거버를 생성합니다.
거버는 프린트 정보 , 홀 가공 정보 등이 포함된 파일들이라고 보시면 됩니다.

6. 거버 파일을 PCB 제작 업체에 전달하면 됩니다.
저는 https://www.pcbway.com/ 을 통해 진행했습니다.
홈페이지에서 첫 화면에 보이는 PCB Prototype 의 Quote Now 를 클릭합니다.
화면에 보이는 정보는 입력은 다시 하면 되니 그냥 넘어가시면 됩니다.

7. 기본 PCB 제작 정보를 입력하면 되는데, 회색 바탕 부분만 입력을 하시면 됩니다.

8. 다 입력 후 아래 계산 버튼을 클릭하면 우측에 금액이 나옵니다.
PCB 5달러에 배송비가 16달러 입니다. 배송비만 알리급이라면.. 정말 좋겠어요.

9. Save to cart 를 클릭하면 거버 파일을 업로드 할 수 있는 팝업이 뜹니다.
그러면 CAD 에서 생성한 거버 파일을 압축해서 올리면 됩니다.

10. 거버를 올린 후 결제를 바로 하는게 아니라 검토를 기다립니다.
입력한 정보와 거버가 일치하는지, 보완 할 것이 있는지 확인을 합니다.
지금 부터는 캡쳐한 화면이 별로 없네요.
검토가 끝나면 결제를 해라고 메일이 오거나 홈페이지에서 단계가 표시 됩니다.
리뷰(확인)이 끝나면 결제를 하면 됩니다. 카드나 Paypal 로 진행합니다.
PCB 제작 진행 상태가 자세히 나옵니다., PCB 제작은 24시간 이내에 됩니다만 포장-배송 단계가 깁니다.
11. 약 2주 정도 기다리면 짜잔~~ 받게 됩니다.



라이트 앵글 핀 헤더가 없어 아직 조립은 못했지만 PCB 에 문제는 없는것으로 보이네요.
위 업체에서 2번 째 만들어 본 건데.. 일단 개인 취미용으로 사용하는데는 괜찮은거 같습니다.
추가.. 실제 조립 모습입니다.

사진처럼 케이블을 만들어서 사용했었는데 1번 핀이 전원 관련된 부분이라 저렇게 연결했다가 뺐다가...
그래서 보드를 만들었습니다.




도면에 나온 것은 보드 위쪽으로 2열 핀헤더가 나오는데, 원래는 사진 처럼 보드 아래쪽 소켓에 설치하는 방법입니다.
어차피 중요한게 아니라서요.
그리고 작업 위치에 따라 세워서 사용이 가능하게 옆에도 연결이 가능하도록 만들었고요.
'Diy -자작' 카테고리의 다른 글
| e-ink 를 가지고 사부작 사부작 만들고 있는 스마트폰 노티 알리미 (0) | 2023.01.20 |
|---|---|
| Airsoft Gas Gun (가스 BB탄 권총) 로딩 노즐 수리기 - 장난감 부러진 부품 고쳐보기 (0) | 2023.01.20 |
| 아두이노(M5Stack)로.. 운동용 타이머 만들기 (0) | 2023.01.20 |
| GPS 로거 만들어 보기 with no Code (1) | 2023.01.19 |
| nex-5t 악세사리 DIY 아닌 DIY (0) | 2023.01.19 |